產品詳情









JL2-2保護壓板(切換片)是根據電力系統客戶的實際需要而開發的新產品,適用于交流50HZ(60HZ)660v,直流440V電流41A及以下的繼電保護屏,控制柜中置柜等電氣設備中,用于電路的投或退的切換。是為電力自動化行業專業設計的屏面連接片,具有五大特點:
1, 接觸點采用插簧孔,有環抱彈性強,接觸電阻小,安全可靠。
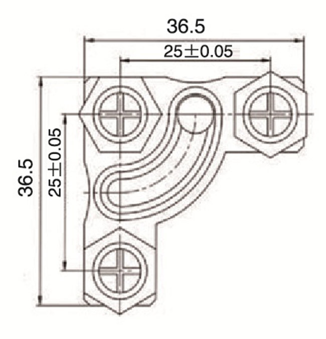
2, 體積小,安裝孔才25X25,比老式的35X35要小的多。
3, 斷路操作簡單方便,一看就懂。
4, 金屬接觸部分全部由絕緣材料包裹,使用十分安全,避免觸電危險,
5, 上部設計有透明觀察框,打開觀察框,可以把需要標識回路功能的標簽放在里面簡單明了。
絕緣件的型號與標志
基本色為米黃色或駝色:JL2-2
絕緣件的整體顏色為紅色:型號JL2-2R
絕緣件的整體顏色為黃色型號JL2-2Y
絕緣件的整體顏色為綠色型號JL2-2G
WUK接線端子系列
- 普通接線端子系列WUK
- 三層傳感器端子WDIK
- 試險接線端子WURTK/S
- 刀閘接線端子WUK5-TWIN
- 旋帽式保險端子WUK10-DREHSI
- 刀閘型保險端子WUK5-HESI
- 過電壓保護端子WUK5-DT
- 雙層接地端子系列WUKK-PE
- 雙層接線端子系列WUKK
- 雙進雙出接地端子WUDK-PE
- 雙進雙出接線端子WUDK4
- 一進雙出接地WUK5-TWIN
- 一進雙出端子WUK5-TWIN
- 大電流端子系列WUKH
- 接地端子系列WUSLKG
- 小型雙層端子MBKKB2.5
保護壓板切換片
繼保裝置電流端子
小母線接線端子
JHY1接線端子系列
PCB接線端子系列
光耦合器接線端子
屏蔽接線接線端子
電能表接線盒系列
大電流試驗盒系列
控制柜附件系列
電力連接器系列
導軌TH35-7.5系列
聯系我們
電話:
13813043119
傳真:微信號:zm4806579 QQ:7117060
郵箱: zhangming@njsmwdq.com
地址:南京市浦口區高新技術開發區龍泰路8號龍威產業園3棟2樓












